содержание ..
..
Volkswagen Tiguan (2017 год). Моменты затяжки ответственных резьбовых соединений
Volkswagen Tiguan (2013 год). Усилия затяжки
ответственных соединений
Усилия затяжки ответственных соединений (момент затяжки н*м)
Volkswagen Tiguan (2020 год). Усилия затяжки
ответственных соединений
Инструкция: Заменить болты крепления ГВЦ. Заменить при монтажных работах самостопорящиеся гайки, болты/винты, затягиваемые с доворотом, а также уплотнительные кольца, манжетные уплотнения и прокладки. Пластиковые подкладки, защищающие открытые клапана, удалять только непосредственно перед установкой ГВЦ. При замене ГВЦ или прокладки головки блока следует слить старую и залить новую охлаждающую жидкость.

Замена моторного масла 1.4 TSI CZDA
После замены масла двигатель должен некоторое время работать на холостом ходу, пока контрольная лампа давления масла не погаснет. Добавлять газ при горящей лампе давления масла запрещено. В случае вибраций и неестественного шума в районе турбонагнетателя необходимо немедленно заглушить двигатель.
Всегда сливать моторное масло, всасывание не допускается. В случае переполнения двигателем масла произойдёт повреждение каталитического нейтрализатора.
Замена масляного фильтра:
Замена масла начинается согласно документации именно с замены фильтра. Мой опыт показывает, что это правильно. Сначала нужно снять защиту картера, ниже описание для штатной.
Демонтаж защиты моторного отсека:

Открутить винты 2, 4 (головка на 13 мм) и саморезы 3 (Torx 25). Центральный винт из группы 4 удобнее откручивать последним. Во время откручивания данного винта удерживаем защиту прижатой вверх и вперёд (по направлению движения автомобиля). Как только винт откручен, снимаем защиту движением на себя и вниз. Вниз упадёт под собственным весом, она достаточно тяжёлая, поэтому аккуратней. При демонтаже защиты и откручивании винтов будет сыпаться много песка, поэтому рекомендую применение защитных очков.
С помощью ключа для масляного фильтра открутить и снять масляный фильтр (отмечен стрелкой). Применение и покупка ключа для масляного фильтра вполне оправданы, он позволяет не только удобно работать, но и потом корректно затянуть фильтр с нужным моментом. Можно обойтись, конечно, без него, однако он стоит недорого (около 500 руб.), а затянуть правильно крайне важно, об этом ниже.

Во время откручивания фильтра из него вытечет немного масла, необходимо не забыть подставить ёмкость для сбора отработки перед процедурой. Ослабляется фильтр с помощью специального ключа, дальше откручивается рукой.
Фильтр накручивается на замечательную деталь 03C115721A. Есть очень небольшой риск повреждения этого резьбового штуцера (просто втулка с резьбой по сути), когда предыдущий фильтр завернули не по резьбе, перетянули или резьба была с дефектами, что у меня однажды и произошло. Если замена осуществляется вдали от цивилизации, рекомендую приобрести данную штуку про запас.
Установка нового масляного фильтра:
Очистить уплотнительную поверхность под фильтр на двигателе.
Смазать резиновое уплотнение нового масляного фильтра моторным маслом. Рекомендую заполнить новый фильтр маслом, этим же маслом и смазать его уплотнительную резинку. Согласно официальной документации заполнение нового фильтра маслом не требуется, однако я это делаю всегда, что имеет очевидные плюсы: фильтрующий элемент пропитывается маслом, а также уже содержит масло, что позволяет немного быстрее набрать давление в системе во время первого пуска. Лампа давления у меня не загоралась ни разу, как и не возникало каких бы то ни было других ошибок. Доводы в пользу оправданности подобного подхода я высказал, точно могу лишь подтвердить безопасность данной процедуры.
Ввинтить новый масляный фильтр (отмечен стрелкой), с помощью ключа масляного фильтра затянуть моментом 20 Н∙м. Опять же: изначально тянем от руки, потом накидываем специальный ключ фильтра и дотягиваем динамометрическим ключом. Если заполняли фильтр маслом, немного может вытечь при установке, готовьтесь к этому, а также к тому, чтобы протереть сам фильтр. Расстояние от фильтра до пластиковых элементов небольшое – будьте внимательны, если используете переходники между специальным ключом фильтра и динамометрическим ключом. На специальном ключе фильтра размер внутреннего квадрата 1/2”, на динамометрическом ключе данного диапазона квадрат обычно 1/4”.
Слив моторного масла:
Открутить пробку маслосливного отверстия 2 с помощью головки на 19 мм и выбросить уплотнительное кольцо 3 (в случае первой замены утилизировать также пробку). Пробку 2 допускается использовать повторно после первой замены масла. Однако лично я меняю всегда и пробку. Во-первых, почти всегда на ней заметные следы коррозии (особенно после зимы), это абсолютно некритично, но неприятно. Во-вторых, так удобнее – её можно не ловить, а сбросить в ёмкость с отработкой и не поливаться лишним маслом. Откручиваем так же, как и фильтр – сдёргиваем ключом, дальше крутим руками. Рекомендую использовать резиновые перчатки, потому что руки будут в масле гарантированно, как аккуратно и быстро не делай.
Дать моторному маслу стечь. Для полноты слива лучше подождать пока оно вообще не перестанет капать активно, а будет просто за несколько секунд скапливаться капля и висеть. Это не принципиально важно, но если не спешите, то чем больше сольётся – тем лучше. Сливать лучше, разумеется, прогретое масло, соблюдая меры осторожности, чтобы не обжечься, если вдруг оно недостаточно остыло.
Вкрутить пробку маслосливного отверстия 2 с новым уплотнительным кольцом 1 вручную, а затем затянуть с моментом 30 Н∙м. Я для верности смазываю резьбу той самой каплей старого масла, что висит на краю сливного отверстия, хотя такой рекомендации тоже нет в официальной документации. На мой взгляд, необходимо следить, чтобы поставить уплотнительное кольцо 1 правильно. Не знаю, насколько это критично, но его стороны отличаются. Считаю более корректным ставить гладкой частью к поддону. Ни разу не было проблем с течами и позиционированием при таком подходе. Рекомендую ставить именно в таком положении. Соблюдаем момент затяжки, перетянутая пробка может привести к протечкам или повреждению резьбы в поддоне.

Установка защиты двигателя:
Вставляем движением вперёд защиту клыками в передний фартук, прижимаем вверх. Закручиваем средний винт из группы 4. Т.е. порядок обратный разборке. Рекомендую перед этим очистить все привалочные поверхности, а также помыть или почистить щёткой саму защиту, обычно на ней лежит пару килограммов песка и прочей грязи.
Закрутить винты 2, 4 (момент затяжки 20 Н∙м), саморезы 3 (момент затяжки 2 Н∙м). Винты сразу не затягиваем до конца – нужно найти положение, чтобы они спокойно закрутились все, плюс совпали отверстия под саморезы. Моменты рекомендуется соблюдать. Я после контролируемо затяжки протягиваю ещё от руки, в принципе угрозы срыва при разумном подходе нет, но переусердствовать всё равно не стоит, будьте аккуратнее.
Заливка моторного масла:
Объём масла 4,0 литра. Если слили нормально, то спокойно заливаем 4 литра по отметкам на бутылке. Я использую воронку, а пространство вокруг заливной горловины обкладываю ветошью на всякий случай. Потом смотрим по щупу, что получилось. Должно быть примерно в середине щупа. В любом случае, если масло на щупе в мерной зоне есть, запускаем двигатель. Как уже было сказано, не должно быть никаких посторонних звуков и горящих ламп давления масла или «чеков». Прогреваем мотор до рабочей температуры (ОЖ). Глушим, даём несколько минут (не менее трёх) стечь маслу. Измеряем уровень по щупу (машина стоит на ровной поверхности, естественно), при необходимости доливаем. Руководство рекомендует, чтобы уровень был чуть выше середины. Стремиться к максимуму не нужно, но и оставлять ниже середины тоже не стоит. Я рекомендую налить, чтобы было чуть ниже максимума. Не забываем плотно закрутить крышку заливной горловины. Остаток масла кладём в багажник, хотя он вам вряд ли пригодится. 😉
По окончании процедуры сбрасываем счётчик масляного сервиса на приборной панели с помощью диагностического адаптера или кнопки обнуления суточного пробега согласно руководству по эксплуатации.
Заливка присадки в топливо
Присадка в топливо – G001770A2.
Перед заправкой полного бака добавить в бак топливную присадку.
Со своей стороны, могу рекомендовать это делать. Какого-то особого эффекта ожидать не стоит, но для топливной аппаратуры может оказаться полезно. Главное – использовать регулярно, после каждой замены масла. Если не использовалась ранее, то начинать при значительных пробегах, на мой взгляд, лучше не стоит.
PDF-файл на Яндекс.Диске
Проверка кривизны плоскости прилегания головки блока цилиндров
Макс. допустимая кривизна плоскости прилегания: 0,05 мм.
ЭЛЕКТРООБОРУДОВАНИЕ
Максимально допустимая кривизна плоскости прилегания: 0,05 мм.
Ремённый привод компрессора
Инструкция: Ремённый шкив электромагнитной муфты компрессора -N421- находится за ремённым шкивом – насос системы охлаждения. Поликлиновой ремень -4- проходит через ремённый шкив электромагнитной муфты компрессора -N421-.

Регулировка фаз газораспределения
Снять крышку распределительного механизма. Для прокручивания коленвала вставить опорную втулку, ременный шкив коленвала -2- и болт коленвала -3-, после чего вкрутить болт (использовать контропору 3415).

Снять свечу зажигания первого цилиндра. Для этого использовать съемник -Т10094 А- и свечной ключ 3122 В. Вкрутить адаптер для индикатора часового типа -Т10170- до упора в гнездо свечи зажигания. Вставить индикатор часового типа -VAS 6079- с удлинителем -Т10170/1- до упора и прижать его гайкой -стрелка-.

Прокрутить коленвал в направлении вращения двигателя до ВМТ цилиндра 1. Запомнить положение малой стрелки индикатора часового типа. Затем повернуть коленвал против направления вращения двигателя обратно на 45°. Надавить на планку натяжителя -1- в направлении стрелки и зафиксировать поршень стопорным штифтом -Т40011-. Пометить фломастером направление хода цепи ГРМ -3-.
Инструкция: Центральный болт фазовращателя -2- имеет левую резьбу.
Выкрутить болты -2- и -4- и снять фазовращатель -1- с цепь ГРМ -3-. Для удерживания использовать контропору -Т10172-. Вновь насадить фазовращатель -1-. Заменить болты -2- и -4- и затянуть болт -2- на 40 Нм, а болт -4- на 50 Нм (использовать контропору -Т10172-).


Инструкция: При прокручивании распредвалы нельзя смещать по оси.
Для крепления фиксатора распредвалов -Т10171 А- вкрутить болт М6 в соответствующее отверстие -стрелки- от руки; не затягивать.

Инструкция: Необходимо учесть, что для фиксатора распредвалов -ТЮ171А- имеются различные точки крепления.
Открутить болты звездочек распредвалов. Для этого обязательно использовать контропору-Т10172-.
Инструкция: Нельзя использовать фиксатор распределительных валов -Т10171 А- в качестве контрключа.
Снять одну звездочку распредвала. Положить цепь ГРМ, соблюдая направление хода, на звездочки распредвалов и вновь насадить снятую звездочку. Вкрутить болты распредвалов настолько, чтобы звездочки еще проворачивались на распредвалах. Натянуть цепь ГРМ, вытянув стопорный штифт -Т40011-. Повернуть коленвал в направлении вращения двигателя в ВМТ 1 цилиндра. Допустимое отклонение от ВМТ 1 цилиндра: ±0,01 мм.

Инструкция: Если коленвал был прокручен далее ВМТ более, чей на 0,01 мм, его следует еще раз повернуть против направления вращения двигателя примерно на 45°. В заключение привести коленвал в направлении вращения двигателя в ВМТ цилиндра 1.
Выкрутить пробку -стрелка- в картере двигателя.

Вкрутить фиксирующий болт -Т10340- до упора в картер двигателя. Затянуть фиксирующий болт -Т10340- с моментом затяжки 30 Нм. Фиксирующим болтом -Т10340- коленчатый вал блокируется в направлении вращения двигателя.

Удерживать с помощью контропоры -Т10172- звездочки распредвалов -1- и -5- в данном положении и затянуть болты -2- (левая резьба) с моментом затяжки 40 Нм и -4- на 50 Нм.
Инструкция: При затяжке болтов распредвалов коленвал не должен проворачиваться, а цепь ГРМ -3- должна оставаться натянутой по обеим сторонам.
Снять фиксатор распредвалов -Т10171 А-. Выкрутить фиксирующий болт -Т10340- из картера двигателя. Повернуть коленвал в направлении вращения двигателя на два оборота в ВМТ 1 цилиндра. Допустимое отклонение от ВМТ 1 цилиндра: ±0,01 мм. Вставить фиксатор распредвалов -Т10171 А- в отверстия в распредвалах до упора. Если фиксатор распредвалов -Т10171 А- не вставляется. Повторить регулировку. Если фиксатор распредвалов -Т10171 А- вставляется. Вкрутить фиксирующий болт -Т10340- до упора в картер двигателя. Затянуть фиксирующий болт -Т10340- с моментом затяжки 30 Нм. Снять фиксатор распределительных валов -Т10171 А-, прочно удерживать звездочки распределительных валов контропорой -Т10172-, и довернуть болты -2- (левая резьба) и -4- жестким ключом на 1/4 об.
Инструкция: Центральный болт фазовращателя -2 имеет левую резьбу. Звездочки при затяжке болтов не должны прокручиваться на распредвалах.
Дальнейшая установка и сборка выполняется в обратной снятию последовательности. При этом необходимо учитывать следующее.
Инструкция: Фиксирующий болт -Т10340- остается в картере двигателя до установки шкива ременной передачи коленчатого вала.
Установка корпуса регулятора. Установить шкив ременной передачи коленчатого вала. Установить поликлиновой ремень. Заменить манжетные уплотнения заглушек распредвалов и смазать их маслом перед монтажом.
Запасовка поликлинового ремня
Осторожно: Перед установкой поликлинового ремня проверить, надежно ли закреплены все приводимые им агрегаты (генератор, компрессор климатической установки). Обращать внимание при установки поликлинового ремня на направление хода и правильную посадку на шкивах и натяжных элементах. Сначала положить поликлиновый ремень на шкив коленчатого вала. В последнюю очередь натянуть ремень на натяжной ролик. Дальнейшая установка и сборка выполняется в обратной снятию последовательности. Залить охлаждающую жидкость. По завершении работ обязательно. Завести двигатель и проверить движение приводного ремня.
Ослабление головки блока цилиндров

Вывернуть болты -стрелки-. Ослабить болты ГВЦ в последовательности
Ременная передача с компрессором климатической установки

Головка блока цилиндров – последовательность затяжки болтов

Снятие и установка уплотнительного фланца и маховика/ведомого диска

Инструкция: При установке новой головки блока цилиндров перед монтажом картера распределительных валов необходимо смазать моторным маслом все контактные поверхности между опорными элементамиг, роликовыми рычагами и постелью распредвалов. Входящие в ремонтный комплект пластиковые подкладки для защиты открытых клапанов разрешается удалять только непосредственно перед установкой головки блока. При замене головки блока цилиндров также следует слить старую и залить новую охлаждающую жидкость. Все посадочные и рабочие поверхности необходимо смазать перед монтажом.

Кривошипно-шатунный механизм
Примечание – Если при ремонте двигателя в моторном масле обнаруживается металлическая стружка и пыль в больших количествах – источником которых является повышенный износ, например, из-за повреждения шатунного подшипника -, то чтобы избежать последующих повреждений, необходимо помимо очистки смазочных каналов заменить масляный фильтр. – Все посадочные и рабочие поверхности необходимо смазать перед монтажом.
Примечание Для проведения монтажных работ двигатель необходимо установить на кантователе -VAS 6095-.

Примечание На модификации с механической коробкой передач вместо натяжителя установлен обгонный ролик. Момент затяжки крепежного болта: 40 Нм.
Внимание: Обращать внимание при установке поликлинового ремня на направление хода и правильную посадку на шкивах и натяжных элементах.

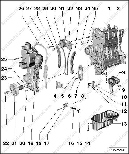
Блок цилиндров – детали и узлы:
Снятие и установка поликлинового ремня
Необходимые специальные приспособления, контрольные и измерительные приборы, а также вспомогательные средства


Примечание Для снятия поликлинового ремня следует ослабить два натяжных элемента.
Вентиляция партере двигателя – последовательность затяжки







